Здорово мужики.
Хочу собрать двухполоску на динамиках Morel Classic Advanced Tweeter CAT 308 и SEAS H1288-08.
http://manuals.audiomania.ru/morel/Morel_CAT_308.pdf
http://manuals.audiomania.ru/data/seas_h1288-08_ca22rnx_1_1003909.pdf
Фильтра буду делать второго порядка, первый неприемлю, из-за слишком уж пологого спада.
Первым и ВЧ спалить нефиг делать, это надо высоко тогда резать, и область совместной работы
большая получится, что не есть хорошо для детальности звучания.
Хотел собирать трехполоску на 10" басовичке, уже даже детали на фильтр купил, но блин понимаю,
что во первых они слишком громоздкие для моей халупы, во вторых пинцет как дорого. Басовики и
корпус золотые получатся. Да и не вывезу я свести три полосы нормально. Поэтому решил скинуть
калибр на одну позицию, и собрать двухполоску на 8"
И свести мне проще будет, да и вроде как двухполоски в принципе более сбалансировано звучат.
Только вот с фильтрами как всегда затык у меня. Посчитал вот здесь
(оранжевая табличка “ТАБЛИЦА РАСЧЁТА ЭЛЕМЕНТОВ LC- ФИЛЬТРОВ ВЕРХНИХ и НИЖНИХ ЧАСТОТ”)
http://vpayaem.ru/information6.html
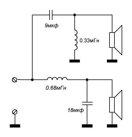
У меня получился вот такой фильтр (сопротивление динамиков вводил 6 Ом).
Может может кто по программке какой прогнать, заработает это дело нет? У меня с этим делом туговато
Еще малость мне непонятно по чувствительности, там в даташитах чувствительность в несколько разных
величинах представлена, мне непонятно, срастется она в моей системе, или ВЧ более чувствительный и
придется резистор последовательно с ВЧ цеплять (говорят это даже хорошо, что то там выравнивает на ВЧ).


