Ламповые фонокорректоры на дроссельных и трансформаторных каскадах

58 минут назад, Вадим Б сказал:

это на каких таких корректорах стоит?

Посмотрите сервис мануалы на японские усилители. В большинстве стоит маленький ферритовый дроссель на входе.

 

1 час назад, Вадим Б сказал:

какие тонармы не экранированные? 

Например, очень популярные (в определенных кругах) деревянные.

Также есть керамические тонармы, и другие не металлические.

если брать старые деревянные микротрак, уизерс ,adc , grado. то в них стояла экранированная проводка ,grace 714 деревянный у меня не был ,не знаю ,также не знаю что внутри в карбоновых тонармах внутри ,не разбирал , но длинный нотингем не фонил и не наводился ,схемку нормальную прикладываю для мастера ,на хороших лампах

 

PhonoEnd_sch3.gif

Цитата

не знаю почему вы так возбудились

   Я не возбудился, мне просто не нравятся дилетанты с уровнем знаний начальной школы которые даже не слушали то о чём тут всем вещают и считают себя всё знающим гуру. Если я не прав то покажите нам  формулы расчёта постоянной времени LR цепочки и частоты среза фильтра.

Цитата

что толку от кпд, которым вы хвастаетесь?

    Для вас толку никакого, так как вы не слушали оцифровки, которые я здесь выкладывал. И очень хотелось бы увидеть корректор сделанный вами, фото, монтаж, схему и оцифровки которые вы сделали и которые были бы лучше моих.

 

заниматься с вами ликбезом мне нет интереса,купите себе книжку Моргана Джонса “Ламповые усилители”  второе издание,откройте страницу 543 и читайте внимательно , вам это поможет .

 

1 лайк

   Ну вот теперь не только мне но и всем обитателям форума понятен уровень ваших знаний, своими руками вы ничего не сделали, показать ничего не можете, можете только пузыри пускать в луже и гадить в чужой теме.

угомонись ,вот усилители моноблоки  три каскада на триодах прямого накала 26-vt25-межкаскадный транс Sowter-WE300b -вых транс Партридж

https://www.youtube.com/watch?v=fLRF\_nx7\_nE

 

1 лайк

на 47 лампе в драйвере 24  кен 80 

https://www.youtube.com/watch?v=opGtSg8a4a4

 

1 лайк

ef14-RE604 на шасси от радиоприемника телефункен(была такая мода 10 лет назад)

https://www.youtube.com/watch?v=p0Cj\_SIsDzk

 

1 лайк

на EL38 однотакт с  REN904 в драйвере

https://www.youtube.com/watch?v=ET4Z00EP5xk

 

1 лайк

   Во первых эта тема не про ваши усилители, откройте свою тему и рассказывайте обитателям этого форума какие у вас замечательные усилители. Во вторых таких роликов на youtube пруд пруди. Ролики выкладывал какой то  FranzUSSR и общался он в чате на английском. А здесь вы Вадим Б, вы можете показать что FranzUSSR и Вадим Б один и тот же человек? Ну или хотябы покажите фото подвала тех трёх усилителей. Там на youtube у вас просили показать схемы усилителей, вы их до сих пор не показали, они что секретные? И в тех усилителях стоят покупные трансформаторы, почему их сами не изготавливаете? Не можете что ли? Получается что усилитель только на половину ваш, остальное за вас сделали производители трансформаторов. И где ваши достижения в корректоростроении???

1 лайк

51 минуту назад, Вадим Б сказал:

вот усилители моноблоки

Тёзка, не мечи бисер перед начинающими коммерсантами в шкурке DIYеров.

P.S. 2 SOUND ONE: Абсолютно ничего не имею против монетизации аудио-хобби, только нужно сразу правильно себя позиционировать, как очередного “отечественного производителя”, например. Кстати, на форуме есть подходящий раздел: “Форум дистрибьюторов, продавцов и производителей техники”. Полагаю, администрация не откажет Вам в персональной ветке с правами модерации.

1 лайк

8 минут назад, sound one сказал:

показать что FranzUSSR и Вадим Б один и тот же человек

Я могу - “зуб даю”! 😄

30 минут назад, Вадим Шлемский сказал:

Я могу - “зуб даю”! 😄

Я не сразу узнал :slightly_smiling_face: , даже успел наехать на Вадима в музыкальной теме про трансы-шмансы. 

Чем больше на форуме будет людей с таким опытом как у Вадима Б. и Вадима Шлемского, тем будет лучше всем, в противном случае - некому делиться опытом. 

корректоры делал разные в последний раз мучался с 10ж12с  советская копия WE310  с коррекцией NFB по японской схеме из аудио-журнала 78-го года , плюнул , разобрал ,хотя звук то неплохой,но беда с этими лампами ,все кривые и фонящие ,на авито и мешке их практически нет  ,китайцы продают свою реплику за 16 тр (пошли они в жопу) 

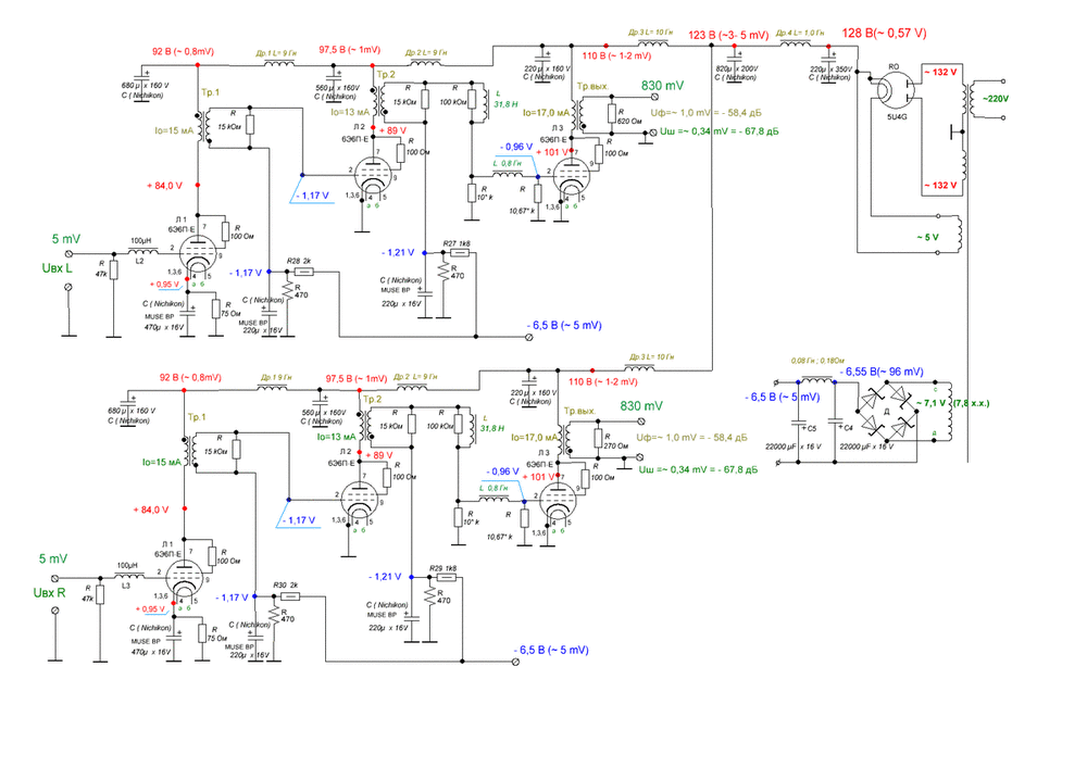
   Привет всем обитателям этого форума. Недавно, после шести лет эксплуатации, ко мне вернулся LR RIAA корректор, см.фото,  для профилактики. Через шесть лет эксплуатации появился разбаланс усиления между каналами. Разбаланс составил 1 дб. После подбора ламп разбаланс стал 0,2 дб. Раньше сделать оцифровки с этого корректора не было возможности, а сейчас такая возможность есть, поэтому выкладываю их для ознакомления со звуком этого корректора. По этой ссылке https://dropmefiles.com/JJIjJ  нужно скачать файлы, разархивировать и приятного прослушивания. Ссылка действительна 6 дней.

Оцифровка проводилась на следующем оборудовании:

1.Вертушка Marantz Model 6100;

2.Картридж Denon DL 103;

3.MC трансформаторы https://www.hi-fi.ru/auction/detail/1083442

4.LR Фонокорректор

5.Звуковая карта E-MU 0404;

6.Ноутбук с установленной программмой Sound Forge 15

вид спереди 1.JPG

монтаж 1.JPG

схема корректора LR.GIF